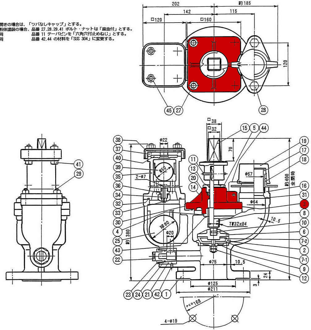
メンテナンス)BW型 多排空気弁付消火栓 H=400

※ クリックで大きいサイズをご覧いただけます。
※ テーブル1段目[部品名称][材質][部品ナンバー]
※ テーブル2段目[部品箇所][部品写真][販売価格]

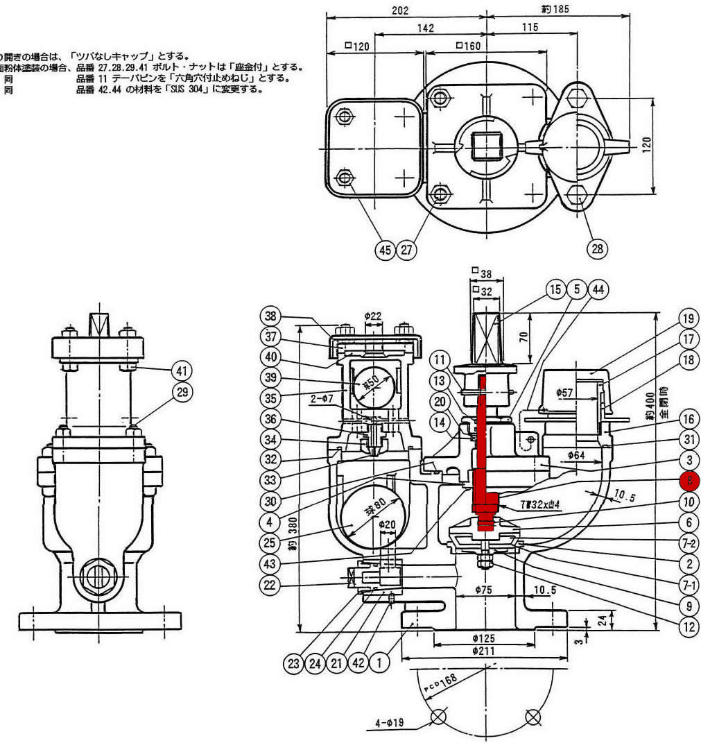
※ クリックで大きいサイズをご覧いただけます。
※ テーブル1段目[部品名称][材質][部品ナンバー]
※ テーブル2段目[部品箇所][部品写真][販売価格]
| このページの上へもどる |
© 2011-2025 Chiyodakogyo Inc .All Rights Reserved