シンプルで頑強設計で超高精度な ULSONA DT流量計(挿入式超音波流量計)
【目 次】
- 国産へのこだわり
- ULSONA流量計の計測原理
- 従来タイプ ULSONA流量計を浅埋タイプへ(高さ50mmダウンサイズ)
- 選べる設置スタイル
*ULSONA(DT)流量計の設置例 - 選べる設置スタイル の具体例
- *Φ50サドル付分水栓の設置イメージ
- フランジ(Φ75補修弁)の設置イメージ
- ボール式消火栓【町野口金(65A)】の設置イメージ
- MN型 空気弁付短管/空気弁付補修弁内蔵短管(空気弁Φ25・Φ75)
- カタログのダウンロードいただけます。
- 製品に関するお問合せ
- 不断水で流量計の更新は可能です。
- 挿入超音波流量計ULSONAのクラウド遠隔監視システム
- ULSONA UTY 残塩計付流量計
- ULSONA流量計の設置(計測)条件
- ULSONA流量計の設置サポート(挿入時)
- ULSONA流量計 コントローラ寸法
- コントローラの操作
- ULSONA流量計の 設置例
- ULSONA流量計 ポータブルタイプ
- ULSONA流量計(口金65A町野式)のワンタッチ設置
- ULSONA流量計を双口空気弁等に設置可能
- ULSONA流量計 設置ガイド
- ULSONA流量計 よくある質問(FAQ)


見えなかった「微細な流れ」を捉える。独自アルゴリズムが実現した、究極の分解能。

・ULSONA(ウルソナ)流量計は、配管にセンサーを挿入して直接流体の流速と流量を測定する超音波式の流量計です。
・流体と直接接触することで、外部の影響を受けにくく、高い精度と安定性を実現しています。
・センサーはオールステンレス製(接水部はSUS316)で、シンプルで頑丈な構造になっています。
・配管に設置する方法は、「サドル付き分水栓、フランジΦ75Φ100、口金町野65A(ボール式消火栓など)」の3パターンです。
・測定に必要なパラメータの設定や調整・校正は自動化されており、ユーザーはボタンひとつで操作いただけます【このページの真ん中より下方にコントローラ操作参照】。
・ULSONA(ウルソナ)流量計は、水温や水圧、残留塩素濃度なども測定できる多機能な流量計です。


ULSONA流量計カタログダウンロード( PDFファイル)
ULSONA(ウルソナ) 流量計の国産へのこだわり


標準仕様で耐水圧1MPa(約10K)の堅牢設計。
- ULSONA流量計は、オールステンレス構造により高い耐久性を実現しています。 標準で10K(3種)に対応しておりますが、1MPaを超える環境でのご使用につきましても柔軟にカスタマイズ提案が可能です。特殊仕様をご希望の際は、別途ご相談ください。
に対応-1024x576.jpg)

ULSONA流量計の 基本仕様 (出力と通信)

「メイン配管から支管まで、柔軟に対応可能なワイドレンジ」

「純度の高い水からプロセス用水まで水、超純水、工業用水にご使用いただけます。」
防水性能(センサーIP68):
「完全防水構造により、万が一の水没や湿気の多い環境でも安心の耐久性。」
測定流速範囲(±20 m/sec):
「微少流量から高速流まで高精度に検知。双方向(正・逆)の計測にも対応しています。」
※「±」の表記があるため、逆流も測れる点が強みになります。


御見積のご依頼、その他当WEBサイト上でご不明な点や、些細な疑問などございましたら、ご遠慮なく上記の電話番号またはメールアドレスまでお問合せください。当WEBサイトだけではお伝えきれない詳細についても、お気軽にお問い合わせください。
電話でのお問い合わせ: 平日 月曜AM9時~金曜17時まで
メールでのお問い合わせ: 365日いつでも受付
皆様からのお問い合わせを心よりお待ちしております。
【御見積について】
午前中にいただいた御見積のご依頼につきましては、原則として当日中に回答させていただきます。
午後以降のご依頼につきましては、翌営業日中に回答いたします。
ただし、繁忙期等につきましては、できる限り迅速な回答を心がけておりますが、通常よりお時間をいただく場合がございます。予めご了承くださいますようお願い申し上げます。
超微小流量から高速域まで、業界最高レベルの精度で計測
- 高精度 流量精度±0.5%RD(流速0.5m/sec以上)!
- 既設補修弁に設置可能!
- 不断水でゼロ校正可能!
- 標準仕様で正・負、両方向計測!
- 落雷の際、リスク軽減!

ULSONA流量計の計測原理

- 管路内の2点間(A B)に超音波の伝搬時間が流れに比例して「Δt(デルタティー)」(2点間の時間差)が生じ、これに管内口径を乗じ流量となります。

ULSONA 流量計 カタログ PDF
国際実績と導入事例

重要なインフラで採用される高精度流量計
ULSONA流量計は、開発途上国の経済社会開発に貢献するJICA(国際協力機構)と、日本の貿易・投資の振興を担うJETRO(日本貿易振興機構)を通じ、トルコとシンガポールの浄水場など、重要なインフラで採用されています。
- 世界で認められる品質
ULSONA流量計は、⾼精度な流量計測、厳しい環境でも安定した稼働を実現する⾼い信頼性、 設置‧運⽤が容易で⻑期的なランニングコストを削減できるメンテナンス性の⾼さが、国内外で⾼く評価されています。

ULSONA流量計はJICA・JETROを通じトルコ、シンガポールでご採用いただいています。
ULSONA流量計の設置例
- ULSONA LT流量計を埋設設置する際には、一般的な水道用空気弁や地下式単口消火栓で使用される埋設ボックスに設置可能です。丸型では内径Φ600、角型では寸法350mm x 450mmのボックスに対応した実績があります。

- ULSONA LT流量計を設置する際、既存の空気弁や消火栓を撤去して設置する場合、これらの設備は元々必要な目的で設置されているため、撤去すると配管に不具合が生じる懸念があります。そのような場合、千代田工業株式会社では、空気弁付き短管や消火栓付き短管を提供しています。また、新設の場合には、補修弁機能を内蔵したMN型空気弁付き短管や消火栓付き短管をご提案しています。詳細な価格や製品情報については、千代田工業株式会社(電話: 06-6358-3541)までご連絡いただくか、当ウェブサイトのお問い合わせメールアドレスよりご連絡ください。


ULSONA流量計は不断水設置が可能
不断水設置可能!ULSONA流量計
- ULSONA流量計は既設配管設備(サドル付分水栓【50A】、ボール式消火栓【65A口金】、フランジΦ75)を活用し、設置可能なため、付帯コストを削減しエコな水道事業の運用をサポートいたします。

不断水での流量計更新

「断水不可」「予算・工期の圧縮」といった流量計更新における現場の課題。ULSONA流量計なら、これらを合理的に解決をサポートいたします。 既設配管への「不断水」設置に加え、既存の電源・信号配線(DC4-20mA、DC1-5V、AC/DC電源等)との互換性を確保。付帯工事を最小化することで、低コストかつ短工期での機器更新を実現します。

- 断⽔⼯事なしでスムーズに流量計を更新

補修弁図面 ダウンロード
レバーボール式補修弁
キャップ式補修弁

御見積のご依頼、その他当WEBサイト上でご不明な点や、些細な疑問などございましたら、ご遠慮なく上記の電話番号またはメールアドレスまでお問合せください。当WEBサイトだけではお伝えきれない詳細についても、お気軽にお問い合わせください。
電話でのお問い合わせ: 平日 月曜AM9時~金曜17時まで
メールでのお問い合わせ: 365日いつでも受付
皆様からのお問い合わせを心よりお待ちしております。
【御見積について】
午前中にいただいた御見積のご依頼につきましては、原則として当日中に回答させていただきます。
午後以降のご依頼につきましては、翌営業日中に回答いたします。
ただし、繁忙期等につきましては、できる限り迅速な回答を心がけておりますが、通常よりお時間をいただく場合がございます。予めご了承くださいますようお願い申し上げます。

御見積のご依頼、その他当WEBサイト上でご不明な点や、些細な疑問などございましたら、ご遠慮なく上記の電話番号またはメールアドレスまでお問合せください。当WEBサイトだけではお伝えきれない詳細についても、お気軽にお問い合わせください。
電話でのお問い合わせ: 平日 月曜AM9時~金曜17時まで
メールでのお問い合わせ: 365日いつでも受付
皆様からのお問い合わせを心よりお待ちしております。
【御見積について】
午前中にいただいた御見積のご依頼につきましては、原則として当日中に回答させていただきます。
午後以降のご依頼につきましては、翌営業日中に回答いたします。
ただし、繁忙期等につきましては、できる限り迅速な回答を心がけておりますが、通常よりお時間をいただく場合がございます。予めご了承くださいますようお願い申し上げます。
挿入式超音波流量計ULSONAの仕様 詳細
ULSONA流量計センサー仕様

材質
センサーはオールステンレス製で、特に接水部はSUS316材質を使用しています。その他の部品はSUS304相当の材質です。
設置方法
センサーは配管に挿入して設置されます。設置方法には、サドル付き分水栓、フランジ(Φ75、Φ100)、口金町野(ボール式消火栓など)が含まれます。
測定原理
センサーはトランジットタイム方式を使用し、管路内の2点間(A、B)での超音波の伝搬時間の差(Δt)を測定します。この時間差と管内口径を使用して流量を計算します。
測定範囲と精度
流速範囲は0.000~±20.000 m/secで、流速分解能は0.003 m/secです。精度は±0.5% RD(流速0.5 m/sec以上)です。
温度測定機能
センサーは水温測定機能も備えており、±1℃の精度で常時温度監視が可能です。
防水性能
センサー部の防水性能はIP68です。
動作温度
センサーの動作温度範囲は0~55℃です。
ULSONA流量計コントローラ仕様

電源仕様
供給電圧はDC24V(DC9-26V)で、電池稼働も可能です。消費電力は約10W以下です。
表示部
コントローラは7インチのカラー液晶タッチパネルを備えており、操作が簡単で直感的です。
表示内容
コントローラ画面では以下の内容が表示されます:
瞬間流量(㎥/sec, L/sec, L/min, L/hour, ㎥/min, ㎥/hour)
瞬間流速(m/sec)
正方向流量パルス
負方向流量パルス
出力仕様
アナログ出力:
CH1: 流量(DC 4-20mA、負荷抵抗≦500Ω)
CH2: *DT2 DT3のみ付加
CH3: 温度、流速、負流量(選択)(DC 1-5V)
デジタル出力:
CH1: 正方向流量パルス
負方向流量パルス
CH2: 測定エラー(無電圧接点)
記録媒体
microSDカード(最大2GB)を使用し、データをCSV形式で保存可能です。
カレンダークロック
基盤内にカレンダークロックが組み込まれており、時間管理が可能です。
通信ポート
RS485(MODBUS RTU)ポートを備えています。
操作方法
計測に必要なパラメータの設定は、指示部のLCD画面を通して対話式で簡単に行えます。配管設定、動作設定などが自動化されており、ユーザーはボタンひとつで操作が可能です。
温度測定機能
コントローラは水温測定機能も備えており、±1℃の精度で常時温度監視が可能です。
バックアップ機能
ULSONA DT-2またはDT-3の場合、センサーに異常があっても残りのセンサーで計測を継続するバックアップ機能が備わっています。
設置と調整
設置されたULSONA DTの調整・校正は全て自動化されており、ユーザーがボタンひとつで調整・校正が行えます。エコーグラフを使用して計測状況をリアルタイムで確認し、最適な設置位置を決定できます。
ULSONAクラウド仕様
![不断水で設置可能な挿入式超音波流量計ULSONA(ウルソナ) DTシリーズのクラウド遠隔監視システムの仕様を表にまとめたPR画像です。
クラウド遠隔監視システム仕様
通信とデータ収集
• クラウド遠隔監視システムは、携帯キャリア回線を利用してデータを送信します。どこからでも繋がるため、場所や配線の制約がなく、簡単に設置および運用が可能です。
リアルタイム監視
• 瞬時流量、瞬時流速、正積算流量、負積算流量、水温をリアルタイムで監視できるシステムです。スマートフォン、タブレット、パソコンからいつでもデータを確認できます。
データ保存とダウンロード
• 収集したデータはクラウドに保存され、期間を指定して過去のデータを確認することができます。データはCSVファイルとしてダウンロードも可能です。
GPS機能
• 発信機にGPSが内蔵されており、地図上で位置情報を確認できます。
通信周期
• データ収集周期は最短で1分間隔で設定可能です。
デバイス対応
• スマートフォン、タブレット、パソコンから遠隔監視が可能で、リアルタイムにデータを確認することができます。
発信機のアンテナ表示
• 発信機のアンテナ表示は3段階(3本、アンテナ2本)で、安定したデータ交信にはアンテナ2本表示する場所での設置を推奨します。
オプション機能
• オプションで残塩濃度計測(東亜DKK製)も遠隔監視可能です[2].
このクラウド遠隔監視システムは、ULSONA流量計と組み合わせて使用することで、効率的なデータ管理とリアルタイムの遠隔監視を実現します。
遠隔監視の利点
• 配管管理や漏水防止対策に役立つように、夜間最小流量の継続監視などが可能です。センサーの取り外しや移設も容易で、メンテナンスや点検も簡単に行えます。
初期投資の削減
• 既設の配管に取り付けるだけで測定が可能なため、工事費や時間がかかりません。専用の通信回線やサーバーも不要です。](https://www.chiyoda-kogyokk.jp/wp/images/2024/12/クラウド仕様-2-1024x630.png)
通信とデータ収集
クラウド遠隔監視システムは、携帯キャリア回線を利用してデータを送信します。どこからでも繋がるため、場所や配線の制約がなく、簡単に設置および運用が可能です。
リアルタイム監視
瞬時流量、瞬時流速、正積算流量、負積算流量、水温をリアルタイムで監視できるシステムです。スマートフォン、タブレット、パソコンからいつでもデータを確認できます。
データ保存とダウンロード
収集したデータはクラウドに保存され、期間を指定して過去のデータを確認することができます。データはCSVファイルとしてダウンロードも可能です。
GPS機能
発信機にGPSが内蔵されており、地図上で位置情報を確認できます。
通信周期
データ収集周期は最短で1分間隔で設定可能です。
デバイス対応
スマートフォン、タブレット、パソコンから遠隔監視が可能で、リアルタイムにデータを確認することができます。
発信機のアンテナ表示
発信機のアンテナ表示は3段階(3本、アンテナ2本)で、安定したデータ交信にはアンテナ2本表示する場所での設置を推奨します。
オプション機能
オプションで残塩濃度計測(東亜DKK製)も遠隔監視可能です。
このクラウド遠隔監視システムは、ULSONA流量計と組み合わせて使用することで、効率的なデータ管理とリアルタイムの遠隔監視を実現します。
遠隔監視の利点
配管管理や漏水防止対策に役立つように、夜間最小流量の継続監視などが可能です。センサーの取り外しや移設も容易で、メンテナンスや点検も簡単に行えます。
初期投資の削減
既設の配管に取り付けるだけで測定が可能なため、工事費や時間がかかりません。専用の通信回線やサーバーも不要です。
※ULSONA LT流量計の設置に関する注意事項
クラウド通信の課題: 埋設ボックスが鉄製の蓋で覆われている場合、クラウド通信が円滑に行えない可能性があります。鉄製の蓋に約10mmの穴を2カ所程度開けることで改善される可能性がありますが、この方法では雨水などが侵入するリスクが高まり、通信障害の原因となる可能性があります。従いまして、埋設ボックスにセンサーを設置する際には、コントローラとクラウド受発信器を別途、地面より高い位置にある変換器用収納盤などの計装盤に収めることを推奨します。
ULSONA流量計の設置プロセス
- 流量計の設置については、弊社は流量計の提供のみを行っております。計装盤等の付帯設備については基本的に扱っておりませんが、参考情報として掲載しております。
- 電源について、商用電源(電力会社)から引き込む場合、主に100Vまたは200Vが広く使用されています。一般的には電力会社が供給する電気配線(電気柱、電気盤)などから電源を取り出します。ULSONA流量計はDC24V(CD9-26V)の直流電源を必要とします。
- 下図にあるように、電源がない状態で、ULSONA流量計を設置する場合の積算価格の目安として
ULSONA流量計本体を除き、「変換器用収納盤」と「引き込み開閉器盤」の積算価格は
令和6年12月現在で約¥1,600,000-(電気工事別)です。

コントローラボックス内(盤内)の「*受発信器」と「*避雷器」は必ずしも必要ではありません。
・受発信器:クラウド遠隔監視システムを導入する際に必要な機器です。
・避雷器:ULSONAのコントローラには内蔵のアレスタ(避雷器 SPD)が組み込まれており、通常の雷からはコントローラを一定程度保護します。ただし、近くで落雷が発生した場合や直撃雷を受けた場合には、コントローラやセンサーが破損するリスクがあります。このリスクをさらに軽減したい場合は、外付けの避雷器を設置することをお勧めします。
- ULSONA流量計設置の個別設置イメージ


流量計センサーからの信号を処理する変換器を収納
測定データの演算処理
流量値の表示
測定データの出力(アナログ/デジタル信号)
各種パラメータ設定用の操作部
変換器用収納盤:
変換器用収納盤は、センサーから取得したアナログ信号をデジタル信号に変換し、さらに処理や表示、外部システムへのデータ送信を行うための装置(変換器)を収めるための盤です。これにより、流量データの解釈が容易になり、監視や管理が効率的に行えます。変換器は、データの精度を保ちながら、制御システムやデータロガーなどの他のシステムにデータを配信したりします。

商用電源の引き込み
システム全体への電源供給の制御
過電流保護
漏電保護
電源のON/OFF制御
保守点検時の電源遮断
引き込み開閉器盤:
引き込み開閉器盤は、電力の供給を制御するための電気設備が収められています。流量計システムを含む関連機器への電気供給を管理し、過電流や短絡電流などからシステムを保護する役割を果たします。この盤にはブレーカー、スイッチ、その他の保護機器などが設置され、安全かつ安定した電力供給を維持します。
選べる設置スタイル
-1024x576.jpg)
*コスト削減
断⽔⼯事が不要なため、⼯事費⽤を⼤幅に削減。バイパ
ス管の設置も必要ありません。
*時間短縮
設置作業が簡単で迅速。断⽔の⼿続きや調整などの時間
が不要になります。
*利⽤者への配慮
⽔の供給を継続しながらの作業で、利⽤者への影響を最
⼩限に抑えられます。

*コンパクト化の利便性
【設置スペース・操作性・メンテナンス性の向上】
*いわゆる、土被り600mm の浅埋設に従来の高さ185mmで、フランジタイプであれば補修弁から上の設置後の高さは約300mmでしたが、浅埋設アタッチメント135mmに高さを抑えてことにより、約260mmになりました。詳細図を当ULSONAサイトの下方に「※選べる設置スタイル の具体例」として掲載しておりますので、ご確認お願い申し上げます。
*埋設ボックスへのULSONA LT(ULSONA DTを含む)の設置深さは、浅埋用地下式単口消火栓や急速空気弁と同程度を目安としていただければ設置イメージがつかみやすいです。ご不明な点がございましたら、当サイト記載の電話番号(06-6358-3541)またはメールアドレスまでお気軽にお問い合わせください。
※選べる設置スタイル の具体例





- 埋設ボックスへのULSONA LT(ULSONA DTを含む)の設置深さは、浅埋用地下式単口消火栓や急速空気弁と同程度を目安としていただければ設置イメージがつかみやすいです。ご不明な点がございましたら、当サイト記載の電話番号(06-6358-3541)またはメールアドレスまでお気軽にお問い合わせください。
*設置方法①
Φ50サドル付分水栓

- ULSONA流量計 サドル付分水栓(Φ50)タイプ高さ:サドル分水栓含めて管天から約380mm(ULSONA流量計サドルタイプ:約240mm)
サドル付分水栓(Φ50)寸法:各メーカーにより多少異なりますが、以下の図では
160mm~170mmとしています。

1.サドル付分水栓の上部キャップを外す
キャップを反時計回りに回して外します。
2.ULSONA流量計のアタッチメントを取り付ける
アタッチメントをキャップの代わりに時計回りに回して取り付けます。
3.サドル分水栓のボール弁をゆるやかに開く
水がアタッチメント内にゆっくりと流れるように開きます。
4.アタッチメント内の水を確認
アタッチメント内に水が十分に入っていることを確認します。
5.ボール弁を閉めて空気を抜く
水漏れがないことを確認してから、ボール弁を閉めてアタッチメント内
の空気を抜きます。
6.15分~30分待つ
センサーと水温が調整されるまで待ちます(エイジング)。
7.ボール弁を全開にしてセンサーを取り付ける
ボール弁を全開にして、センサーをアタッチメントにしっかりと
取り付けます。
注意事項
・水漏れがないことを確認しながら作業を進めてください。
・エイジング中は、流量計を動かしたり、振動を与えたりしないで
ください。
*設置方法②
Φ75又はΦ100フランジ(補修弁)

- ULSONA流量計フランジタイプ:高さ約260mm

1.ウルソナ流量計のアタッチメントに専用特殊フランジを取り付ける
専用特殊フランジをアタッチメント下部にねじ込み、しっかりと
固定します。
2.補修弁フランジにアタッチメントを固定する
アタッチメントと補修弁フランジをボルトナット(M16m又はM20)で固定します。
3.補修弁のボール弁をゆっくり開く
水がアタッチメント内にゆっくりと流れるように開きます。
4.アタッチメント内の水を確認
アタッチメント内に水が十分に入っていることを確認します。
5.アタッチメント内の空気を抜く
補修弁のボール弁を少し開いた状態で、アタッチメント上部の
グランドボルト(4本)を緩めて空気を抜きます。
6.15分~30分待つ
センサーと水温が調整されるまで待ちます(エイジング)。
7.センサーを挿入
補修弁のボール弁を全開にし、計測位置までセンサーを挿入。センサー挿入後
アタッチメント封水グランドボルト(4本)をしっかり締めます。
注意事項
・水漏れがないことを確認しながら作業を進めてください。
・エイジング中は、流量計を動かしたり、振動を与えたりしないで
ください。
*設置方法③
65A町野口金(オス/メス)、又は Φ75ボール式消火栓

- ULSONA流量計町野口金タイプ高さ:約300mm

1.ウルソナ流量計のアタッチメント下部に65A町野口金を取り付ける
アタッチメント下部に65A町野口金を取り付け、しっかりと固定します。
2.ボール式消火栓の吐出口にアタッチメントを取り付ける
アタッチメントをボール式消火栓の吐出口(65A口金)にしっかりと
取り付けます。
3.ボール式消火栓の開閉キャップを少し開けて水を流す
水がアタッチメント内にゆっくりと流れるように開けます。
4.アタッチメント内の水を確認
アタッチメント内に水が十分に入っていることを確認します。
5.ボール弁を閉めて空気を抜く
水漏れがないことを確認してから、ボール弁を閉めてアタッチメント内の
空気を抜きます。
6.15分~30分待つ
センサーと水温が調整されるまで待ちます(エイジング)。
7.ボール弁を全開にしてセンサーを挿入する
ボール弁を全開にして、センサーをアタッチメントにしっかりと
挿入します。
注意事項
・水漏れがないことを確認しながら作業を進めてください。
・エイジング中は、流量計を動かしたり、振動を与えたりしないで
ください。
ULSONA流量計 消火栓取付時のご注意

ULSONA流量計:センサーロッドの操作について
*ULSONA流量計のセンサーロッドは曲がりません。例えば、上記のケレップ式消火栓(左)の口金に設置する場合、挿入時にロッドが曲がらないため、計測を行うことができません。

*ULSONA流量計のセンサーロッドは、挿入時に上下に稼働させることで操作できますが、伸縮はしない構造になっています。
- ULSONA流量計は、お客様のニーズに合わせて選べる3つの取付方法をご用意しています。その一つである消火栓への取り付けについて、安全にご利用いただくための重要な注意点がございます。
取り付け可能な消火栓
*ボール式消火栓
*JWWA B 135タイプ
取り付け不可能な消火栓
*ケレップタイプの消火栓
*JWWA B 103
*JWWA B 103準拠タイプ
安全にご利用いただくために、消火栓のタイプを必ずご確認いただきますようお願いいたします。

御見積のご依頼、その他当WEBサイト上でご不明な点や、些細な疑問などございましたら、ご遠慮なく上記の電話番号またはメールアドレスまでお問合せください。当WEBサイトだけではお伝えきれない詳細についても、お気軽にお問い合わせください。
電話でのお問い合わせ: 平日 月曜AM9時~金曜17時まで
メールでのお問い合わせ: 365日いつでも受付
皆様からのお問い合わせを心よりお待ちしております。
【御見積について】
午前中にいただいた御見積のご依頼につきましては、原則として当日中に回答させていただきます。
午後以降のご依頼につきましては、翌営業日中に回答いたします。
ただし、繁忙期等につきましては、できる限り迅速な回答を心がけておりますが、通常よりお時間をいただく場合がございます。予めご了承くださいますようお願い申し上げます。
ULSONA流量計を活用した漏水対策

- 超高感度検知技術により、従来の流量計で「ゼロ」となる微細な流量まで逃さず捉えます。常時監視システムと組み合わせることで、最小流量時の潜在的な漏水をいち早く発見。水道水の有収率の向上をサポートいたします。

です。以下の特徴を通じて、漏水の早期発見、把握、そして対策に貢献します。
ULSONA流量計の特⻑- 漏⽔検知イメージ

示す微細な兆候(漏水特有のサイン)を見逃しません。

- 1. 微細な流量変化の高精度検知:
ULSONA流量計は超低流速を高精度に測定する能力を持っています。これにより、漏水によって生じるごくわずかな流量の変化も捉えることが可能です。これは、初期段階の漏水や小規模な漏水であっても見逃さずに検知するために非常に重要です。
2. リアルタイム監視:
24時間365日のリアルタイムでのデータ監視が可能です。これにより、突発的な流量増加や継続的な微小流量を即座に把握できます。漏水は時間経過とともに被害が拡大するがあるため、リアルタイムでの監視は迅速な初動対応を可能にします。
3. データ分析による漏水箇所の特定支援:
蓄積された流量データを分析することで、通常と異なる流量パターンを示すエリアを特定し、漏水リスクの高い箇所を絞り込むことができます。複数の箇所にULSONA流量計を設置することで、エリアごとの使用水量と供給水量を比較し、差分から漏水の有無やおおよその漏水箇所を推測するなどが考えられます。
4. 不断水での設置:
挿入式であるULSONA流量計は、配管の断水を伴わずに設置可能です。これにより、漏水監視システムの導入や 漏水監視を行う範囲や地点を増やすことが比較的容易に行うことができ、水の供給を止めずに漏水対策を進めることが可能です。
5. コスト削減と環境保全:
漏水を早期に発見し対策を講じることで、無駄な水道料金の発生を抑制できます。また、貴重な水資源の有効な利用は環境保全にも繋がります。ULSONA流量計による漏水対策は、経済的なメリットと環境的なメリットの両面を持ち合わせます。
これらの特徴を組み合わせることで、ULSONA流量計は水道事業体や工場、大規模施設などにおける効果的な漏水対策ツールとして活用が期待されます。微小な漏水サインの検知からリアルタイム監視、データに基づいたリスク分析まで、漏水による損害を最小限に抑えるための包括的なアプローチを支援します。
- 主な特長
*高精度測定: 微細な流量変化を捉え、漏水を正確に検知
*リアルタイム監視: 24時間365日のデータ監視で、異常を即座に把握
*データ分析: 蓄積されたデータに基づき、漏水リスクの高いエリアを特定
*コスト削減: 漏水量の減少により、水道料金や復旧費用を削減
*環境保全: 貴重な水資源の浪費を防ぎ、持続可能な社会に貢献
- 超低流速検知能⼒
漏⽔による「ポタポタ」「ジワジワ」といった極めて遅い流速
(0.003m/sec)も検知可能。従来の流量計では捉えられなかった
微⼩漏⽔も⾒逃さず捉えます。

*従来の流量計では捉えられなかった微小漏水も確実に検知します。
- 流量と⽔圧のダブルチェックで、漏⽔の発⽣をより正確に捉えます。


漏⽔検知のメカニズム– 流量と⽔圧のダブルチェック
*夜間における漏水有無での水量変化の対比
※漏水がない場合


※漏水が発生した場合


夜間水量変化でわかる、ULSONA流量計の高い漏水検知能力
- 上記2つのグラフはで、「漏水がない場合」と「漏水が発生した場合」の深夜帯における水量変化を比較したものです。
*漏水がない場合: 水の使用量がほぼゼロに近く、水圧も高い安定した状態が保たれています。
*漏水が発生した場合: 水をほとんど使用していないにも関わらず、わずかに流量が増加し、
それに伴い水圧が低下していることが分かります。
この二つのグラフの流量と水圧における明確な違いは、ULSONA流量計の漏水検知能力の高さを証明するものです。
ULSONA流量計は、その「超高感度な低流速検知」という特性に加え、「水圧同時計測」機能と連携することで、単なるセンサーの誤作動や一時的な変動と、実際の微細な漏水を高い精度で判別します。
この組み合わせにより検知の信頼性が飛躍的に向上し、誤報を削減。
これにより、漏水の早期発見・早期対応を強力にサポートします。
ULSONA流量計は、2つの選べる通信方式で低コストな漏水監視を実現します
WEB掲載用-1024x992.webp)
2種類の通信方式でリアルタイム監視
- クラウド(携帯回線)
どこからでも繋がるので場所や配線の制約がありません。通信回線、クラウドシステム、ダッシュボードをセットにしたソリューションサービスを提供します。


⽉額通信料が発⽣するため、多数の計測ポイントではランニング
コストに注意が必要です。

- 低コスト無線
LoRa無線システムで、⻑距離通信を実現しながら通信コストをゼロ抑制。
月額通信料が不要で、ランニングコストを⼤幅に削減します。

特定⼩電⼒無線帯域を利⽤するため、無線局免許不要で独⾃ネットワーク
を構築し、低消費電力と月額費用なしで、ランニングコスト低減に寄与します。

LPWA (Low Power Wide Area) 技術:
省電⼒で広範囲な通信を実現する無線技術の⼀つです。IoT機器向けに特化した⻑距離・低消費電⼒の通信規格です。
免許不要:特定⼩電⼒無線帯域を利⽤するため、無線局免許が不要で、独⾃のネットワークを構築できます。
ULSONA流量計の漏水検知で期待される効果






ULSONA流量計は、残留塩素濃度計との連携やクラウド監視機能の追加が可能です。これにより、より包括的で便利な水質管理を実現します。

以下、①②③の測定グラフは、既存の空気弁を一時的に撤去した場所にULSONAクラウド流量計付残留塩素計を設置し、1か所で同時に計測したデータを示しています。データは視認性を高めるため、以下の3つのグラフに分けて表示されています。
グラフ①:残留塩素濃度と水圧
グラフ②:瞬時流量と流速
グラフ③:積算流量と水温
- Φ400 鋳鉄管GX 送水管
グラフ①

上記グラフについて、残留塩素濃度は、0.3mg/Lを下回ると追塩(次亜塩素酸ナトリウムの注入)が行われる運用設定となっており、グラフからもそのタイミングで濃度が上昇している様子が確認できます。
一部で1.0mg/Lを超えるピークが見られますが、これは注入ポンプによる一時的な過注入が原因と考えられます。
この計測結果をもとに、注入制御の最適化に向けた濃度調整が可能であると考えられます。
※なお、残留塩素濃度が一時的に1.0mg/L前後となることについては、必ずしも“高すぎる”と判断するのは適切ではありません。配水管の長さや地域特性に応じて、1.0mg/L程度の濃度が必要とされる場合もあります。また、季節や気温変化に対応するための管理調整も重要であり、残留塩素濃度の維持は非常に繊細かつ重要な業務です。
なお、グラフ後半に見られる水圧の急激な低下は、計測機器を取り外す際に生じた圧力変化によるものであり、異常を示すものではありません。
残留塩素の基準値(0.1 mg/L 以上)を下回った場合のリスク
・水質基準の不適合
・微生物の再増殖リスク
・消費者の健康被害リスク
ULSONAクラウド流量計付残塩計による継続的なモニタリングは、水道管内における残留塩素濃度の変動傾向を把握し、以下のような水道事業者様にとってのメリットを提供します。
*リスクマネジメントの強化: 残留塩素濃度の低下リスクを早期に特定し、迅速な対応を可能にします。
*効率的な予算確保の根拠: データに基づいた明確な根拠を提示することで、対策費用や設備投資に関する予算獲得を支援します。
*安定した安全な水供給への貢献: 適切な塩素管理を支援し、安全で安心な水供給体制の維持・向上に貢献します。
この測定結果は、将来的な水質管理の最適化と、安定した安全な水道水の供給体制維持に向けた重要な判断材料となると考えられます。
- グラフ②

- グラフ③

- Φ400 鋳鉄管K形 配水管


- 深刻化する漏水問題
水道管の漏水は、貴重な水資源の浪費だけでなく、地盤沈下や道路陥没など、深刻な二次被害を引き起こす可能性があります。また、漏水による水道料金の増加は、企業や自治体の財政を圧迫する要因となります。
ULSONA流量計による漏水対策
当社のULSONA流量計は、高精度な流量測定により、これまで発見が困難だった微細な漏水も検知することが可能です。また、リアルタイムでのデータ監視により、漏水の早期発見・早期対応をサポートいたします。

御見積のご依頼、その他当WEBサイト上でご不明な点や、些細な疑問などございましたら、ご遠慮なく上記の電話番号またはメールアドレスまでお問合せください。当WEBサイトだけではお伝えきれない詳細についても、お気軽にお問い合わせください。
電話でのお問い合わせ: 平日 月曜AM9時~金曜17時まで
メールでのお問い合わせ: 365日いつでも受付
皆様からのお問い合わせを心よりお待ちしております。
【御見積について】
午前中にいただいた御見積のご依頼につきましては、原則として当日中に回答させていただきます。
午後以降のご依頼につきましては、翌営業日中に回答いたします。
ただし、繁忙期等につきましては、できる限り迅速な回答を心がけておりますが、通常よりお時間をいただく場合がございます。予めご了承くださいますようお願い申し上げます。
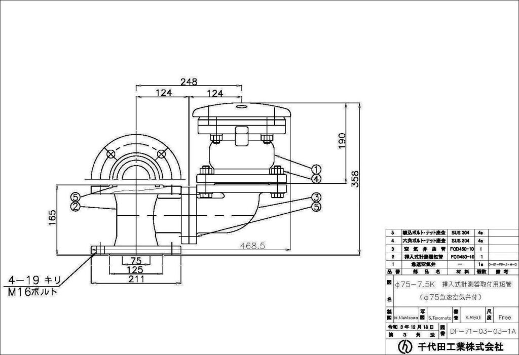
MN型 空気弁付短管/空気弁付補修弁内蔵短管(空気弁Φ25・Φ75)
空気弁付挿入式ULSONA流量計
- 流量計測に最適な条件である直線配管区間に設置することで、配管内で発生・蓄積する空気を効果的に排出し、通水断面の減少や流れの乱れを防ぎます。
- 空気溜まりが「流量計の計測誤差」を引き起こす可能性について
流量計の設置について:
流量計(特に超音波流量計など)の設置に関する技術資料や解説では、「流体に気泡があると誤作動の原因となる」「管内は、空気溜まりがなく常に満水になるように配慮する」といった注意点が挙げられています。これは、空気の混入が計測精度に悪影響を与えることを示唆しています。
空気弁による安定した流れの確保:
空気弁を適切に設置し空気溜まりを排除することは、管路内の流れを安定させ、正常な状態(満水状態)を保つことに繋がります。これは、流量計が正確に作動するための前提条件を整えることになります。空気弁設置の規定は、間接的に計測精度を阻害する要因(空気溜まり)を取り除くことにも寄与します。
カタログ(PDFファイル)

こうした直線配管においても、水中に溶け込んでいた空気が時間と共に分離・蓄積し、目に見えない空気だまりを形成するリスクがあります。
日本ダクタイル鉄管協会のマニュアルなどでも、顕著な高点がない長距離の配管においては、概ね500〜1000メートル間隔での空気弁設置が推奨されているのは、このためです。
細かな気泡や空気だまりは、知らず知らずのうちに通水断面を減少させ、円滑な流れを妨げる通水障害を引き起こします。これは、安定した送水を阻害するだけでなく、流量計による正確な計測にも悪影響を及ぼす可能性があります。
流量計の設置にとって好条件とされる直線配管であっても、空気溜まりによる計測誤差のリスクは存在します。
そこでご提案するのが、空気弁を一体化した【MN空気弁付ULSONA流量計】です。
本製品は、流量計測に最適な条件である直線配管区間に設置することで、配管内で発生・蓄積する空気を効果的に排出し、通水断面の減少や流れの乱れを防ぎます。
これにより、流量計にとっての計測環境が常に最適に保たれ、空気溜まりによる計測誤差を低減。
より正確で安定した流量計測を実現します。
見過ごされがちなリスクに確実に対策し、配水管理の精度向上に貢献する【MN空気弁付ULSONA流量計】を、ぜひご検討ください。
製品の詳細や導入に関するお問い合わせは、お気軽にご連絡ください。
※ご注意
以下のMN型短管又は、MN型補修弁付短管価格は、「ULSONA流量計」と「急速空気弁又は消火栓」の価格は含んでいません。

- MN型短管(補修弁付)は、空気弁または消火栓が別売りとなっています。ご必要に応じて、下記の空気弁価格または消火栓価格を加算してください。

※MN型短管、空気弁価格表【流量計価格は含んでいません】

空気弁設置推奨箇所

1. 水管橋の最高点
水管橋の最高点には空気が滞留しやすいため、閉じ込められた空気を効率的に放出するために空気弁の設置が不可欠です。長野県のガイドラインでも、水管橋には空気弁、またはそれと同等以上の機能を持つ製品を使用することが指定されています。
2. 河川横断部(伏越し)
逆サイフォン構造となる河川横断部の下流側など、空気が蓄積しやすい箇所には空気弁を設置する必要があります。
3. 配管の末端
特に閉塞された末端や空気がたまりやすい場所には、空気弁の設置が必要となる場合があります。神奈川県では、適切な排水設備がない配管末端において、排水口付きの空気弁の検討を推奨しています。
4. 長距離にわたる配管
顕著な高点がない長距離の配管においては、空気弁を一定の間隔で設置することが推奨されています。日本ダクタイル鉄管協会のマニュアルや、いわき市、長野県のガイドラインでは、500〜1000メートルの間隔が推奨されています。また、神栖市のガイドラインでは約200メートルごと、国土交通省の資料では1〜3 km間隔で設けられる仕切弁の間に空気弁を設置することに言及されており、これらの情報を参考に適切な間隔で設置を検討する必要があります。
5. その他局所的な高所
配管経路の局所的な凸部や起伏の頂点など、空気が滞留しやすい箇所にも空気弁の設置が有効です。
これらの箇所に適切に空気弁を設置することで、水道配管網の安定稼働と長寿命化に寄与します。
御参考図
Φ25空気弁短管(対応管径:Φ75~Φ350) 横幅:約390mm

Φ75空気弁短管(対応管径:Φ350~Φ800) 横幅:約470mm


御見積のご依頼、その他当WEBサイト上でご不明な点や、些細な疑問などございましたら、ご遠慮なく上記の電話番号またはメールアドレスまでお問合せください。当WEBサイトだけではお伝えきれない詳細についても、お気軽にお問い合わせください。
電話でのお問い合わせ: 平日 月曜AM9時~金曜17時まで
メールでのお問い合わせ: 365日いつでも受付
皆様からのお問い合わせを心よりお待ちしております。
【御見積について】
午前中にいただいた御見積のご依頼につきましては、原則として当日中に回答させていただきます。
午後以降のご依頼につきましては、翌営業日中に回答いたします。
ただし、繁忙期等につきましては、できる限り迅速な回答を心がけておりますが、通常よりお時間をいただく場合がございます。予めご了承くださいますようお願い申し上げます。
以下ULSONA流量計カタログを画像の下方からダウンロードいただけます。
ULSONA流量計カタログ① [A3]表裏
【表面】

【裏面】

ULSONA流量計カタログ② [A3]表裏
【裏面】

ULSONA流量計カタログ① [A4]表裏
【表面】

【裏面】

ULSONA流量計カタログ② [A4]表裏
【表面】

【裏面】

ULSONA DT カタログ (PDFファイル)
ULSONA DT流量計 材質:オールステンレス製 センサーシャフト(接水部)SUS316製
ULSONA LT流量計 材質:オールステンレス製 センサーシャフト(接水部)SUS304製

御見積のご依頼、その他当WEBサイト上でご不明な点や、些細な疑問などございましたら、ご遠慮なく上記の電話番号またはメールアドレスまでお問合せください。当WEBサイトだけではお伝えきれない詳細についても、お気軽にお問い合わせください。
電話でのお問い合わせ: 平日 月曜AM9時~金曜17時まで
メールでのお問い合わせ: 365日いつでも受付
皆様からのお問い合わせを心よりお待ちしております。
【御見積について】
午前中にいただいた御見積のご依頼につきましては、原則として当日中に回答させていただきます。
午後以降のご依頼につきましては、翌営業日中に回答いたします。
ただし、繁忙期等につきましては、できる限り迅速な回答を心がけておりますが、通常よりお時間をいただく場合がございます。予めご了承くださいますようお願い申し上げます。
製品に関するお問合せ➡千代田工業(株)06-6358-3541
- 資料のご請求、製品御購入、流量計測業務などの御見積承ります。
- 計測業務例として、既設補修弁Φ75又は、ボール式消火栓(口金65A)に取付けて計測を行います。
- 計測期間は、24時間~20日間程度です(詳細につきましてはお問い合わせください)。

超音波流量計の原理について・・
超音波流量計は、超音波を利用して液体または気体が流れる速度を計測する機器です。超音波式流量計は、管内の液体中に超音波を伝搬させ、その伝搬時間の差から流量を計測します。
一般的に、超音波流量計といえば、クランプオン式(外装式)流量計を指すことが多いですが、弊社では、クランプオン式流量計(外装式流量計)と挿入式流量計を扱っており、クランプオン式(外装式)は、配管設備の外から取り付けが可能であり、挿入式は配管の補修弁等に設置します。
超音波流量計の測定方法は、トランジットタイム方式(伝播時間差式)とドップラー式がありますが、ULSONA流量計は、トランジットタイム方式を採用しています。
トランジットタイム方式は、配管に斜めに取り付けた二つのセンサが交互に超音波を送受信します。
流れがないときは、上流側から下流側への超音波と、下流側から上流側への超音波の伝播時間は同じであり、流れがあるときは、上流側から下流側への超音波は流れに乗って速く伝わり、下流側から上流側への超音波は流れに逆らって遅く伝わります。この伝播時間の差が流速に比例します。
トランジットタイム方式(伝播時間差式)の超音波流量計は、次のような特徴があります。
クランプオン式(外装式)のメリットとして
非接触で流体流量を測定できる利点があり、圧力損失がなく、クランプオン式(外装式)であれば配管を切断する等の必要がなく、設置やメンテナンスが容易である。
クランプオン式(外装式)のデメリットとして
一定の直管部が必要で、流体に固形物や気泡が多く含まれると計測誤差や計測不可能になる場合があり、脈動等あれば、不安定な計測値になるなど。
挿入式ULSONA流量計のメリットとして
配管にセンサーを挿入して直接計測できるため、電磁流量計(従来流量計)では困難とされていた低流速における計測を可能にし、正・負の両方向の計測が標準で可能です。流体と直接接触することで、外部の影響を受けにくく、高い精度(0.5%RD)と安定性を実現しました。
サドル分水栓(Φ50用)への設置が可能であり、既設の補修弁への設置も含め不断水で着脱可能、不断水で校正も可能で、設置コストを安価に抑えることが可能です。
ULSONA流量計は落雷の際、リスクを最小限に抑えらるっ?!

- ULSONA流量計に内蔵されているアレスタ(避雷器 SPD)は、外部から侵入する過電流や過電圧から内部回路を保護する役割を果たします。
具体的には、以下のように機能します。
サージプロテクターは、許容値を超える高電圧がかかった際に動作し、過剰な電流をクランプ(抑制)することで、機器を保護します。つまり、外部からの異常な電流や電圧の流入を検知すると、それらをバイパスさせたり、適切なレベルに抑えたりして、内部回路への影響を最小限に抑える働きをします。
このように内蔵のアレスタ(避雷器 SPD)はコントローラを一定程度保護しますが、落雷が非常に近くにある場合や直撃雷を受けた場合には、コントローラやセンサーが破損するリスクがあります。
ただし、ULSONA流量計のセンサーは下図イメージのようにULSONA流量計センサーに水が直接 接していることにより、水がマイナスアースとなり、電流がULSONA流量計にとどまることなくULSONA流量計センサーは保護されます。
※雷の落雷がULSONA流量計センサーに直撃した場合、センサーは破損する場合があります。
ULSONA流量計の設置場所付近に落雷があった場合のイメージ図です。

不断水で流量計(短管形電磁流量計)の更新が可能ですか?
不断水で流量計の更新は可能です。
挿入式超音波流量計ULSONA-DTシリーズは、その理想的な解決策です!
ULSONA流量計は、既存の配管に「サドル付分水栓」などを設置し、流量の測定が可能になります。
従来の電磁流量計と比べて、施工時間やコストを大幅に削減するだけでなく、水質や水圧にも影響を与えません。また、外的要因などの制約を受けずに高精度で安定した測定が可能です。ULSONA流量計は、配管の管理やメンテナンスにおいて、優れた性能と信頼性を提供します。
- 流量計の更新を行う際には、将来的なメンテナンスや交換のために、できるだけ「バイパス管」を設置することをお勧めします。
「バイパス管」は、流量計の前後に分岐しており、流量計を取り外しても流体が流れるようになっています。
以下の図は、「バイパス管」があらかじめ設置されている場合の流量計の更新方法を示しています。

流量計の更新を行いたい場合でも、現場に「バイパス管」が設置されておらず、断水を行うことが困難な場合、「挿入式超音波流量計 ULSONA-DT」がお役に立ちます。
- 流量計更新の際、「バイパス管」がない場合でも、不断水で「流量計の更新」が可能です。
- 既設流量計の付近に「地下式消火栓」又は「空気弁」が設置されていれば、その補修弁を利用し「挿入式超音波流量計ULSONA-DT」の設置が可能です。
- また、対象配管に「サドル分水栓(Φ50のみ)」を設置できれば、サドル分水栓を利用し「挿入式超音波流量計ULSONA-DT」の取付が可能です。
- 下記の図は、流量計設置配管に「バイパス管」がない場合に、「サドル付分水栓」を取付て、「挿入式超音波流量計ULSONA-DT」での流量計の更新を示しています。
ULSONA流量計のセンサーは取り外しや移設が容易なので、メンテナンスや点検も簡単に行えます。「挿入式超音波流量計ULSONA-DT」は、流量計の更新にお悩みのお客様に最適なソリューションです。

挿入超音波流量計ULSONAのクラウド遠隔監視システム


ULSONA流量計とクラウドシステムを併用することにより、瞬時流量・瞬時流速・正積算流量・負積算流量・水温をリアルタイムに遠隔監視できるシステムをご紹介します。このシステムは、データはクラウドに保存され、スマートフォンやパソコンからいつでも確認できます。
このシステムは、挿入式超音波流量計ULSONA-DTと、携帯キャリア回線を利用したクラウド遠隔監視システムの組み合わせです。ULSONA-DTは、既設の配管にサドル付分水栓や補修弁などを設置して、不断水で流量の測定が可能な高精度な流量計です。クラウド遠隔監視システムは、ULSONA-DTから収集したデータをリアルタイムに送信し、お手持ちのデバイスで確認できる便利なシステムです。GPS機能も搭載しており、地図上で位置情報も把握できます。
御問合せ先➡千代田工業㈱ 営業1課 TEL 06-6358-3541

ULSONAクラウドシステムのメリットは以下の通りです。
- 初期投資を抑えられる。
ULSONA-DTは、既設の配管に取り付けるだけで測定が可能なので、工事費や時間がかかりません。クラウド遠隔監視システムも、携帯キャリア回線を使用するので、専用の通信回線やサーバーが不要です。 - リアルタイムにデータを確認できる。
ULSONA-DTは、瞬時流量・瞬時流速・正積算流量・負積算流量・水温を測定し、クラウド遠隔監視システムに送信します。デバイス画面上でリアルタイムにデータを見ることができます。また、期間を指定して過去のデータも確認できます。データはCSVファイルとしてダウンロードすることも可能です。 - 配管管理や漏水防止対策に役立つ。
ULSONA-DTは、流速計測範囲が0.003m/sec~20m/secと広く、夜間最小流量の継続監視などができます。これにより、配管の状態や漏水の有無を把握することができます。また、センサーは取り外しや移設が容易なので、メンテナンスや点検も簡単に行えます。
※オプションで残塩濃度計測(東亜DKK製)も遠隔監視可能です。
ULSONAクラウドシステムの特徴まとめ
- お手持ちのデバイス(スマートフォン、タブレット、パソコン)で遠隔監視。
- 収集したデータは、デバイス画面(スマートフォン画面上など)上でリアルタイムに確認することが可能!
- 収集データはクラウドに保存されているので、期間を指定してデータを確認可能!
- 収集データを「CSVファイル」としてダウンロード可能!
- GPSを搭載しており、地図上にて位置確認が可能!
- 通信は携帯回線を使用しどこからでも繋がる!
WEB掲載用-1024x992.webp)
※ULSONA流量計の埋設設置に関する注意事項
- クラウド通信の課題: 埋設ボックスが鉄製の蓋で覆われている場合、クラウド通信が円滑に行えない可能性があります。鉄製の蓋に約10mmの穴を2カ所程度開けることで改善される可能性がありますが、この方法では雨水などが侵入するリスクが高まり、通信障害の原因となる可能性があります。従いまして、埋設ボックスにセンサーを設置する際には、コントローラとクラウド受発信器を別途、地面より高い位置にある変換器用収納盤などの計装盤に収めることを推奨します。

御見積のご依頼、その他当WEBサイト上でご不明な点や、些細な疑問などございましたら、ご遠慮なく上記の電話番号またはメールアドレスまでお問合せください。当WEBサイトだけではお伝えきれない詳細についても、お気軽にお問い合わせください。
電話でのお問い合わせ: 平日 月曜AM9時~金曜17時まで
メールでのお問い合わせ: 365日いつでも受付
皆様からのお問い合わせを心よりお待ちしております。
【御見積について】
午前中にいただいた御見積のご依頼につきましては、原則として当日中に回答させていただきます。
午後以降のご依頼につきましては、翌営業日中に回答いたします。
ただし、繁忙期等につきましては、できる限り迅速な回答を心がけておりますが、通常よりお時間をいただく場合がございます。予めご了承くださいますようお願い申し上げます。
クラウド対応 残留塩素濃度計付流量計ULSONA


・コンパクト&高精度測定
(場所を選ばず現場で正確な残留塩素測定が可能)
・信頼性の高い測定方式採用
(実績あるポーラログラフ法で安定した測定を実現)
・クラウド遠隔監視&効率運用
(自動データ送信とGPS連携で監視効率化、コスト削減にも貢献)

残留塩素濃度計付流量計ULSONAの設置イメージ

残留塩素濃度計ULSONA 寸法
.png)
日々の安全な水の供給に不可欠な残留塩素濃度の管理。クラウド対応残留塩素濃度計付流量計ULSONAは、これまで浄水場、配水池などの施設でしか実現できなかった常時監視を、より身近な場所で可能にします。消火栓や空気弁など、配水管の末端に近い場所にも設置できるため、蛇口に近い水質をリアルタイムで把握し、より緻密な塩素濃度管理に貢献します。
信頼の測定方式「偏心回転微小電極ポーラログラフ法」
測定の心臓部には、多くの浄水場で長年の実績を持つ「偏心回転微小電極ポーラログラフ法」を採用しています。この方法は、電極を回転させることで安定した測定を実現し、流量の変動にも強いという特長があります。長期間にわたり、信頼性の高いデータを提供し続けることができるため、安心してお使いいただけます。
ULSONAクラウド残塩計の主な特長
施設を選ばないコンパクト設計: 従来の据え置き型の概念を覆す小型化を実現。これまで設置が難しかった場所でも、高精度な測定が可能になります。
据え置き型に匹敵する性能と信頼性: 実績ある測定方式により、大規模施設で用いられる塩素計と遜色ない、高精度な測定データを提供します。
クラウドによる遠隔監視: 測定データはクラウドサーバーへ自動送信。パソコンやスマートフォンから、いつでもどこでも水質状態を確認でき、迅速な対応をサポートします。(クラウド機能なしのモデルも選択可能です)
GPSによる位置情報管理: 複数の測定ポイントも地図上で一元管理。広域にわたる水道管網の管理を効率化します。
クラウド対応型残留塩素濃度計付流量計ULSONAは、人的リソースの効率化や関連コストの削減に寄与し、持続可能な水道事業の運営を支援します。より効率的で信頼性の高い水質管理体制の構築を強力にバックアップするとともに、「おいしい水」を届けるための、きめ細やかな塩素濃度のコントロールにも貢献できる、次世代の水質管理ソリューションです。

一方で、埋設から40年以上経過した鋳鉄管では、水質や環境条件など様々な要因により、内面に剥離や錆こぶ、スケールの付着が多くなる場合があり、これらが残留塩素濃度の著しい低下を引き起こす要因と考えられています。
「残留塩素濃度計 ULSONA」は、この“残塩消費が激しい”という現象を逆に活用し、残留塩素濃度・流量・水圧・水温を同時に測定することで、残留塩素や水圧・流量が低下している箇所を特定し、漏水が疑われる範囲を効果的に絞り込むなど漏水対策にも貢献いたします。


- 流量、流速、水温、水圧、残留塩素濃度 を計測
- クラウドでリアルタイム監視可能!
- 携帯キャリア回線(Softbank【ソフトバンク】、KDDI)を使用し、遠隔でリアルタイム監視が可能です。


ULSONA流量計の設置(計測)条件
- 上流側:配管外径の基本10倍(10D)以上の直管長が必要です(上流側、約3Dに設置の実績あり)。
- 下流側:配管外径の基本5倍(5D)以上の直管長が必要です。
- 上流側にポンプ(下流側も)、流量調整弁、減圧弁、バタフライ弁、仕切弁、レデューサ、曲り配管等がある場合、事前の調査が必要です。
- 上流側又は下流側に必要な直管長を確保できない場合にも、整流板等で対応可能な場合もあり、詳しくは御相談下さい。
※設置条件を満たさない場合は、測定精度や安定性が低下する可能性があります。
左側が上流のイメージ

右側が上流のイメージ


ULSONA流量計の設置サポート(挿入時)
- 配管にULSONAを設置する際、圧力が高い場合に「専用電動ウィンチ」を御用意しています。

- 専用電動ウィンチを使用したULSONA流量計の現場設置例

特徴1 設置コストがかからない
- 既存の補修弁(サドル分水栓、口金町野)に取付ける場合、断水や工事も不要で簡単に設置できるのが最大の特徴です。
特徴2 調整・校正の容易さ
- 設置されたウルソナDTの調整・校正はすべて自動化されています。
- 面倒な調整や校正作業もユーザーがコントローラのタッチパネルを操作するだけです。
特徴3 最新の超音波テクノロジーで高精度
- 最新のテクノロジーによりトランジットタイム計測精度は飛躍的に向上。流速分解能が0.003m/secという業界最高レベルの分解能を持ち、微小流量まで正確に測定することができます。
特徴4 設定
- 測定に必要なパラメータの設定は指示部のLCD画面を通して対話式で簡単設定。
特徴5 温度測定機能
- ウルソナDTは水温計測機能も有しています。
- ±1℃の精度で常時温度監視も可能です。(標準機能)
特徴6 充実した入出力
- パルス:正方向流量パルス、負方向流量パルス、エラー出力
- アナログ:流量(4-20mA) 流体温度(DC 1-5V)
- データ保存:microSDカード(CSV型式)
- コンピューター通信:Modbus 監視システムに直結できます。
特徴7 バックアップ機能
- ウルソナDT-2又はウルソナDT-3の場合、センサーに異常があっても残りのセンサーで計測を継続可能です。
ULSONA流量計 コントローラ寸法

※コントローラの操作
- ウルソナ流量計のコントローラ操作は指示部のLCD画面を通して直感的かつ対話式で簡単設定が可能です。
ULSONA DTの LCDタッチパネル画面
- オープニング画面 スイッチを「ON」にすると上側の画面が最初に現れます。
- 上側の画面が自動的に消えて、下側の画面「モニター1」に移ります。
- 「モニター1」画面の右下「設定メニュー」ボタンをタッチします。

初期画面から「設定メニュー」を選択した状態です。
- 「設定メニュー」画面から必要な情報を(動作設定・配管設定等)入力いたします。

配管設定画面
- センサーの種類(この画面では「DT」)配管材質、配管内径を入力いたします。

上図、配管設定画面内の一覧ボタンをタッチした状態の画面です。
- この画面で配管材質番号を選択し入力します。
- 対照配管の内径が不明な場合、この画面の「規格参照」ボタンをタッチし、内径が確認できる画面に移ります。

SDカード
- ULSONA DT コントローラには標準で2GB microSDカードが内蔵されています。
- データサンプリングは最短6秒毎です。

ULSONA流量計の 設置例
(計測業務を行った際の設置の流れです)
- 主な挿入式超音波流量計ULSONA ポータルブルタイプのセットです。

センサー取付作業
既設空気弁の撤去(Φ75又はΦ100フランジ)
- ①:既設空気弁(撤去前)
- ②:既設空気弁(撤去後)
- ③:既設空気弁撤去あとにアタッチメント取付(挿入式超音波流量計)

既設 空気弁撤去後に、流量計の取付作業
- ③:アタッチメント(挿入式超音波流量計)
- ➃:センサー(挿入式超音波流量計ULSONA DT3)
- ⑤:アタッチメントにセンサーを取付けた状態(未挿入)

アタッチメントにセンサーをセットし計測位置まで挿入
- ⑥:センサーを計測位置まで挿入している状態
- ⑦:センサー設置完了

コントローラでエコーグラフで計測状況をチェックし、計測を開始
- ⑧:センサー計測状況を「リアルタイムエコーグラフ」でチェック後、計測開始

ULSONA流量計の設置完了
- ⑨:挿入式超音波流量計(ポータルブル)の計測が行える状態

ULSONA流量計 ポータブルタイプも御用意しています。
ポータブルタイプはULSONA LT(標準)、ULSONA DT(より高精度)の2タイプをお選びいただけます。
- 以下は挿入式超音波流量計ULSONA LTのポータブルタイプです。
- 省電力タイプの「ULSONA LT」は連続約25日計測(オプション)が可能で、バッテリーを連結すれば約45日連続計測が行えます。
【ULSONA LT流量計のバッテリー容量:連続稼働24時間<標準仕様>です。】 - ケースは防水仕様(IP65相当)ですが、水没には対応していません。

- 下図の「ULSONA LT」ポータブルタイプは「クラウド遠隔監視システム」付で、「ULSONA LT」を設置後、スマートフォン、タブレット等で遠隔監視が可能。
【クラウド遠隔監視システムはオプション仕様です。】

- ULSONA LT コントローラ、バッテリー (ズーム)

ULSONA流量計(口金65A町野式)のワンタッチ設置
- ULSONA流量計は「ボール式消火栓」(口金65A町野式)に取付け可能です。
(ボール式消火栓にワンタッチで設置可能です) - ULSONA流量計の下部タイプにはネジ式(50Aストレートネジ)、フランジ(Φ75 7.5K 10K兼用)、町野口金タイプの3種類が選択可能。


ULSONA流量計を双口空気弁等に設置可能
- 「既設」、「新設」問わず双口空気弁(旧JIS B 2063)に挿入式超音波流量計ULSONAは設置可能です。(既設双口空気弁の場合、補修弁が必要)
- 下図はイメージです。ULSONA流量計は対応配管口径:Φ75~Φ2000 です。

双口空気弁にULSONA設置後、着脱可能「玉押し器」も取付可能
- 双口空気弁にULSONAを設置後、必要に応じ(取水)着脱可能な「玉押し器」も取付可能です。
「玉押し器」の取水口(町野口金)は65Aを確保していますので、通常の消火栓と同じです。 - 下図はイメージです。ULSONA流量計は対応配管口径:Φ75~Φ2000 です。

MC 異径相フランジ Φ100~Φ200 7.5K~20K フランジ厚み:全口径35mm
- ULSONA LTは、補修弁に設置する場合でも、異径接続が可能です。例えば、φ200の補修弁に対してΦ75のフランジ接続が可能です。詳細な接続可能サイズは下図をご確認ください。また、詳細図面はPDFファイルでダウンロードいただけます。

本体:FCD製・内外面粉体塗装(Φ75側植込みボルトナットワッシャー4組付)
仕様:7.5K~20K
※Φ100~Φ200すべてのフランジ厚み:35mm
<75mm側にGFガスケット、M16ボルトナットワッシャーは付属しています。>
図 面
価 格
- Φ100xΦ75 7.5K ¥110,000- 10K ¥130,000-
- Φ150xΦ75 7.5K ¥120,000- 10K¥140,000-
- Φ200xΦ75 7.5K ¥130,000- 10K¥150,000-
- 納期:受注後約30日、 16K、20Kも御対応致します。御問合せ下さい。
異径フランジ (Φ75×Φ100)
- FCD製内外面粉体塗装又は内面粉体塗装(外面黒色)
例としまして、Φ75フランジの予定が、現場が「Φ100」だった場合など、基本在庫ありますので、お役立ていただければ幸いです。お問い合わせ先→千代田工業㈱大阪営業所 お電話 06-6358-3541

- FCD・内外面粉体塗装(標準)
- 全高=120mm
- FCD製鋳物の一体成型で強靭です。
- 価格:お問い合わせ下さい。⇒大阪 06-6358-3541
カタログPDF(A4)
図 面 PDF
出張計測いたします。
- 24時間計測で朝/昼/夜のピーク時流量、深夜等の低流量把握に!
- 既設流量計のチェックに!
- 計測データはコントローラに内蔵SDカードにてCSVファイル出力!
- 管種問わず計測可能(塩ビ管/ハイポリ管/鋼管/SUS管/鋳鉄管)!
- 安定的な計測には「1次側10D」(約2.5D計測実績有)、「2次側5D」が必要です。
御見積・その他の
お問い合わせは TEL 06-6358-3541 まで!
ULSONA流量計 設置要領
設置前
- 輸送時の木枠梱包を解体、外観等、目視チェック。
- コントローラとセンサーのラベル型番をチェック
- センサー設置の20分~30分前に、コントローラをバッテリーに繋いでおく(可能な場合)。
- センサーシャフトに挿入位置をマーキング。
設置⼿順
- センサー検出端をアタッチメントに収納したまま所定設置場所(フランジ又はサドル)に移動。
設置位置にセンサーを運ぶ - センサーを設置場所に移動したら、次亜液でセンサー挿入部を消毒。
※次亜塩素酸ナトリウム溶液(150ppm濃度)
センサー消毒 - センサー取付前に、「補修弁又はサドル分水栓」=以下、「元弁」という。「元弁」の全閉確認とパッキンがセットされているかを確認後にセンサーを取付。
※フランジの場合、M16ボルト=トルクレンチ60Nmで締める。(カチッと音が鳴るまで)
※サドル分水栓の場合、ネジを手で固くなるまで回し、最後に専用レンチでしっかり締め込む。
センサー取付 - センサー取付後、(設置作業中の)センサー飛出し防止用バンドを巻く(アタッチメント又はフランジのアイボルトとセンサー上部コネクションボックスハンドルに巻く)。
センサーにバンドを巻く - 「元弁」を開き、漏水の有無の確認と、封水フランジ(又はコック操作)のボルト(4本)を緩めてエアー抜きを行い、エアー抜きが終われば、封水フランジボルト(4本)を締めて「元弁」を全閉する。
エアー抜き - センサーアタッチメントに水を充填した状態で、エイジングを約30分行う。
エイジング - エイジング中にセンサーをコントローラに接続し、センサー異常がないか確認。
AB緑(エコーチェック) - コントローラに必要情報を入力し、エイジング終了後、静的チューニングを行う。
チューニング - 「元弁」を全閉状態から全開にし、封水フランジボルト(4本)をシャフトを上下できる程度に緩め、センサーシャフトを徐々に挿入し、予めマーキングしたシャフト位置が封水グランドまで到達したら、水の流れ方向と配管(配管が目視できない場合はフランジボルト位置とハンドルが平行か)とコネクションボックスバンドルが平行になっているか確認し、封水フランジボルト(4本)を締める。
計測位置にセンサーセット - 計測位置にセンサーが設置できたら、センサー固定金具(シャフト抜出し防止処置)を取り付けて、センサーの設置完了。
固定金具取付
※試運転の際、専用ケーブルを通線する電線管の口径を出来るだけ余裕のある物に選定頂くことを要指示。(通線管が90度曲がり等あれば、管口径がタイトの場合、通線できない恐れがあります)

御見積のご依頼、その他当WEBサイト上でご不明な点や、些細な疑問などございましたら、ご遠慮なく上記の電話番号またはメールアドレスまでお問合せください。当WEBサイトだけではお伝えきれない詳細についても、お気軽にお問い合わせください。
電話でのお問い合わせ: 平日 月曜AM9時~金曜17時まで
メールでのお問い合わせ: 365日いつでも受付
皆様からのお問い合わせを心よりお待ちしております。
【御見積について】
午前中にいただいた御見積のご依頼につきましては、原則として当日中に回答させていただきます。
午後以降のご依頼につきましては、翌営業日中に回答いたします。
ただし、繁忙期等につきましては、できる限り迅速な回答を心がけておりますが、通常よりお時間をいただく場合がございます。予めご了承くださいますようお願い申し上げます。
ULSONA流量計 よくある質問(FAQ)

ULSONA流量計 総合FAQ
1. 基本仕様・製品概要
Q1-1: ULSONA流量計とは何ですか?
A: ULSONA(ウルソナ)流量計は、配管にセンサーを挿入して流体の流速と流量を直接測定する挿入式超音波流量計です。トランジットタイム方式を採用し、管路内の2点間での超音波伝搬時間差を測定して流量を算出します。
Q1-2: 対応可能な配管口径は?
A: Φ75mm~Φ2000mmの配管に対応しています。センサータイプ別では以下の通りです:
DT1:Φ75~Φ300mm
DT2:Φ350~Φ450mm
DT3:Φ500~Φ2000mm
Q1-3: 測定精度はどの程度ですか?
A: 流量精度±0.5%RD(流速0.5m/sec以上)という業界最高レベルの精度を実現しています。流速分解能は0.003m/sec**まで対応可能です。
Q1-4: どのような流体を測定できますか?
A: 水、超純水、工業用水が測定可能です。主に水道事業や工業用水の管理に使用されています。
Q1-5: 測定可能な流速範囲は?
A: 0.000~±20.000 m/secの範囲で測定可能です。超微小流量から高速域まで幅広く対応しています。
2. 設置・取付方法
Q2-1: どのような設置方法がありますか?
A: 以下の3つの設置方法から選択できます:
Φ50サドル付分水栓(ねじ込みタイプ)
Φ75/Φ100フランジ(補修弁・ボルト締め)
65A町野口金(ボール式消火栓)
Q2-2: 断水工事は必要ですか?
A: 不要です。ULSONA流量計は不断水での設置が可能なため、水の供給を継続しながら設置作業を行えます。これにより、工事費用の大幅削減と工期短縮を実現できます。
Q2-3: 既存の設備に設置できますか?
A: はい。既存のボール弁、補修弁、消火栓などに設置可能です。バイパス管の設置も必要ありません。
Q2-4: 設置後の調整・校正は必要ですか?
A: 設置後の調整・校正は全て自動化されており、ユーザーはボタンひとつで操作可能です。エコーグラフでリアルタイムの計測状況を確認し、最適な設置位置を決定できます。
Q2-5: 埋設ボックスのサイズ要件は?
A: 丸型では内径Φ600mm、角型では350mm×450mmのボックスに対応した実績があります。浅埋設対応により、土被り600mmでの設置も可能です。
Q2-6: 消火栓に設置する際の注意点は?
A: 以下の消火栓にのみ設置可能です:
設置可能: ボール式消火栓(JWWA B 135タイプ)
設置不可: ケレップタイプの消火栓(JWWA B 103、JWWA B 103準拠タイプ)
センサーロッドは曲がらない構造のため、ケレップ式消火栓では計測できません。
3. 技術仕様・性能
Q3-1: 防水性能はどの程度ですか?
A: センサー部はIP68、コントローラはIP65の防水性能を備えています。
Q3-2: 動作温度範囲は?
A: センサー:0~55℃、**コントローラ:-5~50℃**で動作可能です。
Q3-3: 耐水圧性能は?
A: 標準仕様で1MPa(約10K)まで対応しています。
Q3-4: 電源仕様は?
A: DC24V(DC9-26V)で動作し、消費電力は約10W以下です。電池稼働も可能です。
Q3-5: 温度測定は可能ですか?
A: はい。±1℃の精度で水温を常時監視できます。
Q3-6: バックアップ機能はありますか?
A: DT2またはDT3の場合、センサーに異常が発生しても、残りのセンサーで計測を継続できるバックアップ機能を備えています。
4. データ管理・通信機能
Q4-1: どのような出力機能がありますか?
A: 以下の出力機能を備えています:
アナログ出力: 流量(4-20mA)、温度(DC 1-5V)
パルス出力: 正方向・負方向流量パルス、エラー出力
データ保存: microSDカード(CSV形式)
通信: RS485(Modbus RTU)
Q4-2: データのサンプリング間隔は?
A: 最短6秒毎でのデータ収集が可能です。
Q4-3: 表示装置の仕様は?
A: 7インチカラー液晶タッチパネルを搭載しており、直感的な操作が可能です。瞬間流量、瞬間流速、積算流量などを表示できます。
Q4-4: 遠隔監視は可能ですか?
A: はい。クラウド遠隔監視システムにより、スマートフォン、タブレット、PCからリアルタイムでデータを確認できます。
5. クラウド遠隔監視システム
Q5-1: クラウドシステムの主な機能は?
A: 以下の機能を提供します:
リアルタイム監視(瞬時流量、流速、積算流量、水温)
データの長期保存とCSVダウンロード
GPS機能による地図上での位置確認
アラート機能(設定値超過時の通知)
複数台同時接続
最短1分間隔でのデータ収集
Q5-2: 通信方式は?
A: 携帯キャリア回線(ソフトバンクまたはKDDI)を利用します。場所や配線の制約がありません。
Q5-3: 埋設ボックスでの通信に問題はありますか?
A: 鉄製の蓋で覆われた埋設ボックスでは通信が困難な場合があります。この場合、コントローラとクラウド受発信器を地面より高い位置に設置することを推奨します。
Q5-4: 発信機のアンテナ表示について教えてください。
A: アンテナ表示は3段階あり、安定した通信にはアンテナ2本以上の場所での設置を推奨します。
6. LoRa無線通信システム
Q6-1: LoRa無線システムとは?
A: LPWA技術を採用した低コスト無線通信システムです。特定小電力無線帯域を利用するため、無線局免許不要で独自ネットワークを構築できます。
Q6-2: LoRaのメリットは?
A: 以下のメリットがあります:
通信費ほぼゼロ(月額費用なし)
長距離通信(数km~数十km、1500mで安定通信実証済み)
省電力(バッテリー寿命が長い)
設置が簡単(インフラ工事不要)
7. 漏水対策・検知機能
Q7-1: 漏水検知はどのように行いますか?
A: 流量と水圧のダブルチェックにより、確実な漏水検知を行います。超低流速(0.003m/sec)まで検知可能で、従来の流量計では捉えられなかった微小漏水も見逃しません。
Q7-2: 夜間監視の重要性は?
A: 水使用量が少ない夜間に計測することで、通常の水使用と漏水による流量を明確に区別できます。24時間365日のリアルタイム監視により、異常を即座に把握できます。
Q7-3: ダブルチェックのメリットは?
A: 以下のメリットがあります:
単なるセンサー誤作動と実際の漏水を明確に区別
検知の信頼性を格段に向上
誤警報を大幅に減少
Q7-4: 漏水対策で期待される効果は?
A: 以下の効果が期待されます:
漏水箇所の早期・確実な特定
水道料金の大幅削減
維持管理の効率化
データ活用による予測管理
24時間監視による安心感向上
水資源保全と環境貢献
8. 残留塩素濃度計測機能
Q8-1: 残留塩素濃度の計測は可能ですか?
A: はい。オプションで残塩濃度計測(東亜DKK製)との連携により、1か所で流量・水圧・水温・残留塩素濃度の多角的計測が可能です。
Q8-2: 残留塩素計測のメリットは?
A: 以下のメリットがあります:
水質基準(0.1mg/L以上)の継続監視
追塩タイミングの最適化
微生物再増殖リスクの予防
注入制御の効率化
データに基づく予算確保の根拠提供
Q8-3: 計測データはどのように活用できますか?
A: グラフ化されたデータにより、残留塩素濃度の変動傾向を把握し、リスクマネジメントの強化、効率的な予算確保、安定した安全な水供給体制の維持に活用できます。
9. 設置工事・費用
Q9-1: 設置に必要な付帯設備は?
A: 電源がない場合、以下が必要です:
変換器用収納盤
引き込み開閉器盤
積算価格目安:約1,600,000円(令和6年12月現在、電気工事別)
Q9-2: 商用電源について教えてください。
A: 一般的に100Vまたは200Vから引き込みます。ULSONA流量計はDC24V(DC9-26V)の直流電源が必要です。
Q9-3: 避雷器は必要ですか?
A: コントローラには内蔵アレスタが組み込まれており、通常の雷からは保護されます。ただし、さらにリスクを軽減したい場合は外付け避雷器の設置をお勧めします。
10. 空気弁付流量計
Q10-1: 空気弁付流量計とは?
A: ULSONA流量計に空気弁機能を付加したものです。配管内の気泡を効率的に除去し、計測精度を向上させます。
Q10-2: なぜ空気弁が必要ですか?
A: 管内の空気溜まりは以下の問題を引き起こす可能性があります:
流量計の計測誤差
通水断面の減少
流れの乱れ
ポンプ負荷の増大
空気弁により満水状態を保つことで正確な計測が可能になります。
11. 国産品質・サポート
Q11-1: 国産であることのメリットは?
A: 以下のメリットがあります:
品質の安定性
迅速な修理対応と技術サポート
地理的近さによる迅速な対応
時間節約とビジネス継続性のサポート
Q11-2: 国際実績はありますか?
A: JICA・JETROを通じて世界展開を進めており、トルコ・イスタンブール市浄水場、シンガポール公共施設などで採用実績があります。
Q11-3: アフターサービス体制は?
A: 国産の強みを活かし、以下のサポートを提供:
迅速な故障対応
質の高い技術サポート
継続的な技術革新
お客様のニーズに応える製品づくり
12. お問い合わせ・見積もり
Q12-1: 問い合わせ方法は?
A: 以下の方法でお問い合わせいただけます:
電話: 06-6358-3541(平日9:00-17:00)
メール: 365日24時間受付
Q12-2: 見積もり回答時間は?
A: 以下を目安としています:
午前中の依頼: 当日中に回答
午後以降の依頼: 翌営業日中に回答
繁忙期は通常より時間をいただく場合があります。
Q12-3: カタログのダウンロードは可能ですか?
A: はい。ULSONA流量計カタログ、ULSONAクラウドカタログ、補修弁図面などをPDFファイルでダウンロードできます。
13. その他
Q13-1: ポータブルタイプはありますか?
A: はい。ポータブルタイプのULSONA流量計もご用意しています。一時的な計測や移動計測に適しています。
Q13-2: 双口空気弁への設置は可能ですか?
A: はい。双口空気弁等にも設置可能です。詳細はお問い合わせください。
Q13-3: UTYタイプとは何ですか?
A: ULSONA UTYは残塩計付流量計で、流量計測と残留塩素濃度計測を同時に行える製品です。
________________________________________
お問い合わせ先 千代田工業株式会社
電話:06-6358-3541(平日 月曜9時~金曜17時) メール:365日受付対応
※午前中のお見積り依頼は当日中、午後以降は翌営業日中に回答いたします。
