- JWWA B 126 ボール式レバー補修弁 Φ75x100H
- JWWA B 126 キャップ式補修弁 Φ75 x 100H
- JWWA B 126 ボール式レバー補修弁 Φ75 x 150H
- JWWA B 126 ボール式キャップ補修弁 Φ75 x 150H
- 異径ボール式補修弁 Φ75 x Φ100 x 150
- ボール式レバー補修弁 Φ75 x 200H
- JWWAB B 126 ボール式補修弁 Φ100 x 200H
- JWWA B 126 ボール式キャップ補修弁 Φ100 x 200H
- ボール式補修弁 Φ150x 280H
- ボール式補修弁 Φ200x 360H
- TO トーアツ補修弁 Φ75 ~ Φ200
- 地上式消火栓用ボール式補修弁 Φ75 x 150H
- ボール式補修弁 Φ50 x 100H・Φ50 x 150H
- WMC 汚水流入防止ユニット付急速空気弁
- MASH 水道用急速空気弁 Φ25
- MASH 水道用急速空気弁 Φ75
- MASH フランジ一体型 急速空気弁 Φ25
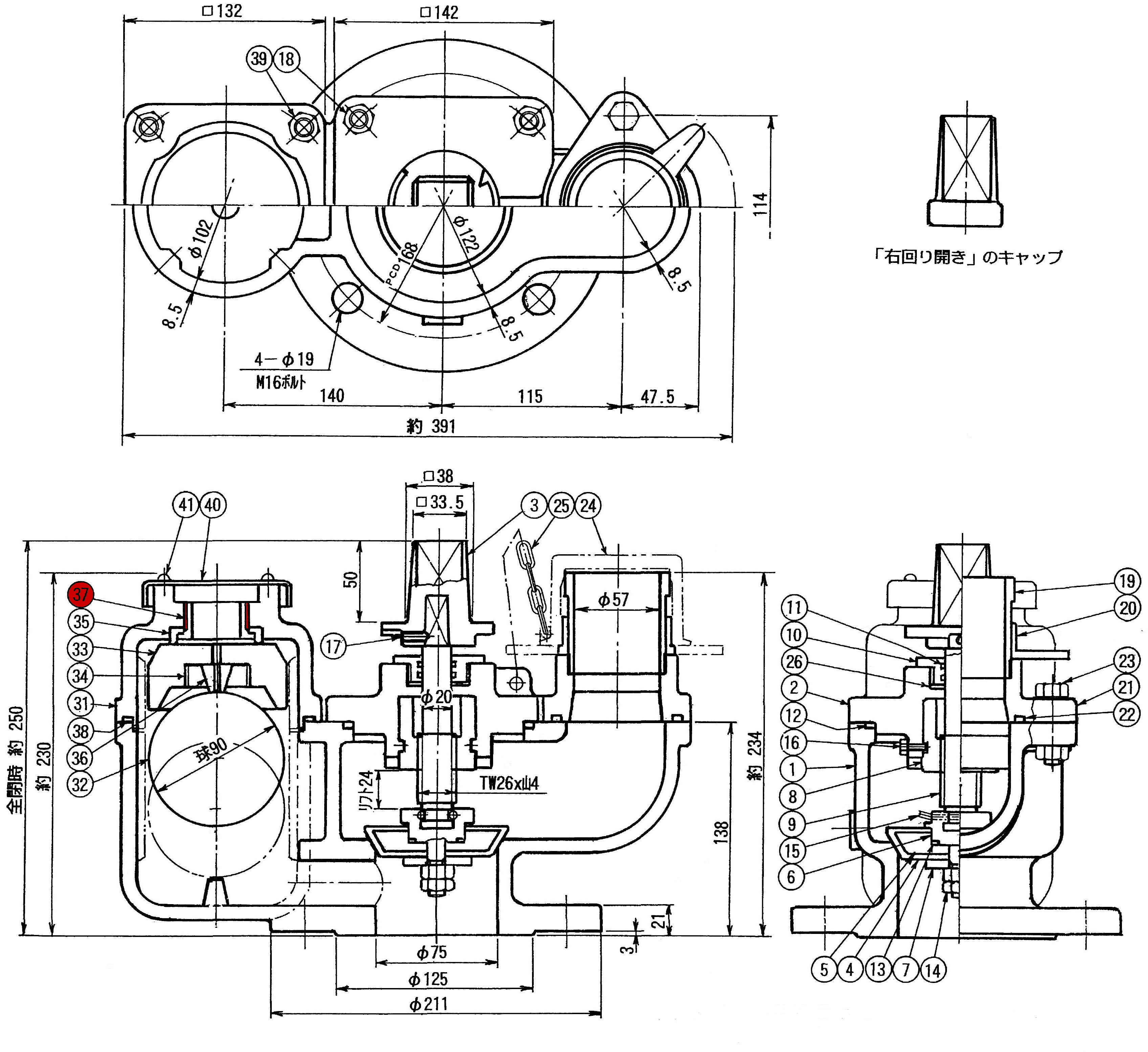
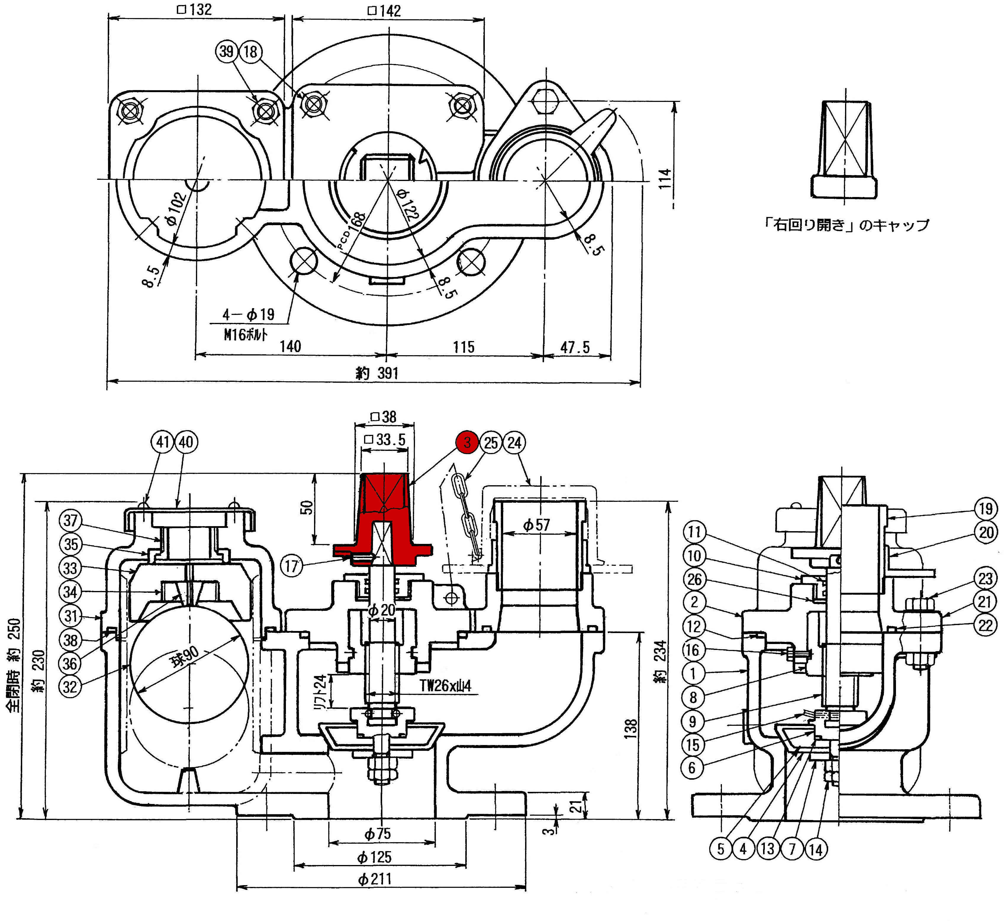
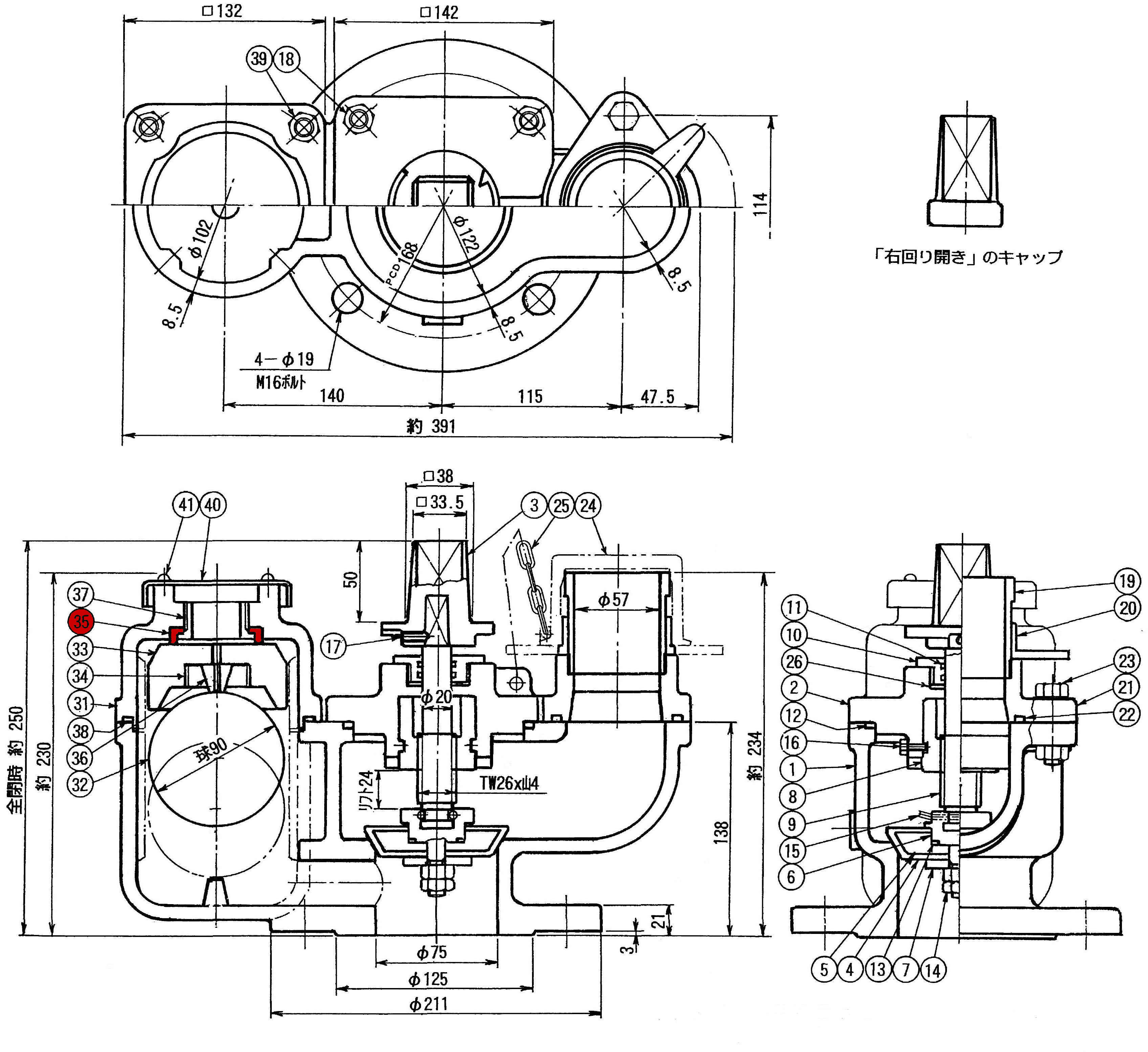
- ARH 急速空気弁 JWWA B 137 Φ13~Φ200
- ARH 高圧用 急速空気弁 20K
- MC 急速空気弁 H=90
- MC 消火栓口金着脱型急速空気弁 Φ25
- MC 急速空気弁 ユニオン接続タイプ Φ25
- ARH 急速空気弁 Φ50
- MC フタ加工型 急速空気弁 Φ25~Φ200
- CH 排気専用急速空気弁 Φ25~Φ150
- MC 海水対応急速空気弁 Φ75~Φ200
- MC 強制排気機能付 急速空気弁 Φ75~Φ150
- MC 凍結破損防止(不凍)急速空気弁 Φ25~Φ200
- CH 水受カバー付き 急速空気弁 Φ50~Φ200
- 玉押器対応型 急速空気弁 Φ75~Φ200
- 空気弁用フランジ Φ13~Φ25用
- DF型 給水栓付急速空気弁 Φ50~Φ200
- NAV 1 給水栓付双口空気弁 Φ75~Φ150
- NAV 3 給水栓付双口空気弁 Φ75~Φ150
- NAV 4 給水栓付双口空気弁 Φ75~Φ150
- NAV 4WS 給水栓付双口空気弁 Φ75~Φ150
- 旧JIS B 2063 単口空気弁 Φ13~Φ25
- 旧JIS B 2063 双口空気弁 Φ75~Φ150
- 双口空気弁用防護カバー ステンレス製
- ARF 修傾継手 Φ75~Φ150
- CHI キャップ式継足しキー(開閉表示キャップ) 75L
- DC型 手動開閉台 オールステンレス製(内ねじ式・外ねじ式)
- FCH FCD製 仕切弁(制水弁)継足しキー 200L~1000L
- CHT 振止め金具・固定具(V型 F型) 継足しキー用
- CH-UNI ユニバーサル継足しキー 300L~4000L
- CH 仕切弁・制水弁 継足しキー(継足し軸)
- CHT 2点振止め金具 オールステンレス製
- CH-UNI ユニバーサル制水弁キー
- CHT 開栓キー(制水弁キー)T字型オールステンレス製1000mm~2000mm
- CHT-40 制水弁キー オールステンレス製
- CHV 制水弁キー
- CHT T字型開栓キー 500mm~2500mm
- CHK 消火栓用開栓キー 800L 1000L
- 埋設仕切弁用トルクリミッター(T字形開栓キー取付用)
- CH 多機能マンホールキー
- U型 バルブキー SS製 1000L・1200L・1500L
- 止水栓キー 角型 SS製 1000L・1200L・1500L
大阪営業所
大阪市北区天神橋2丁目北1番21号
TEL 06-6358-3541





































